lab2:описание_установки

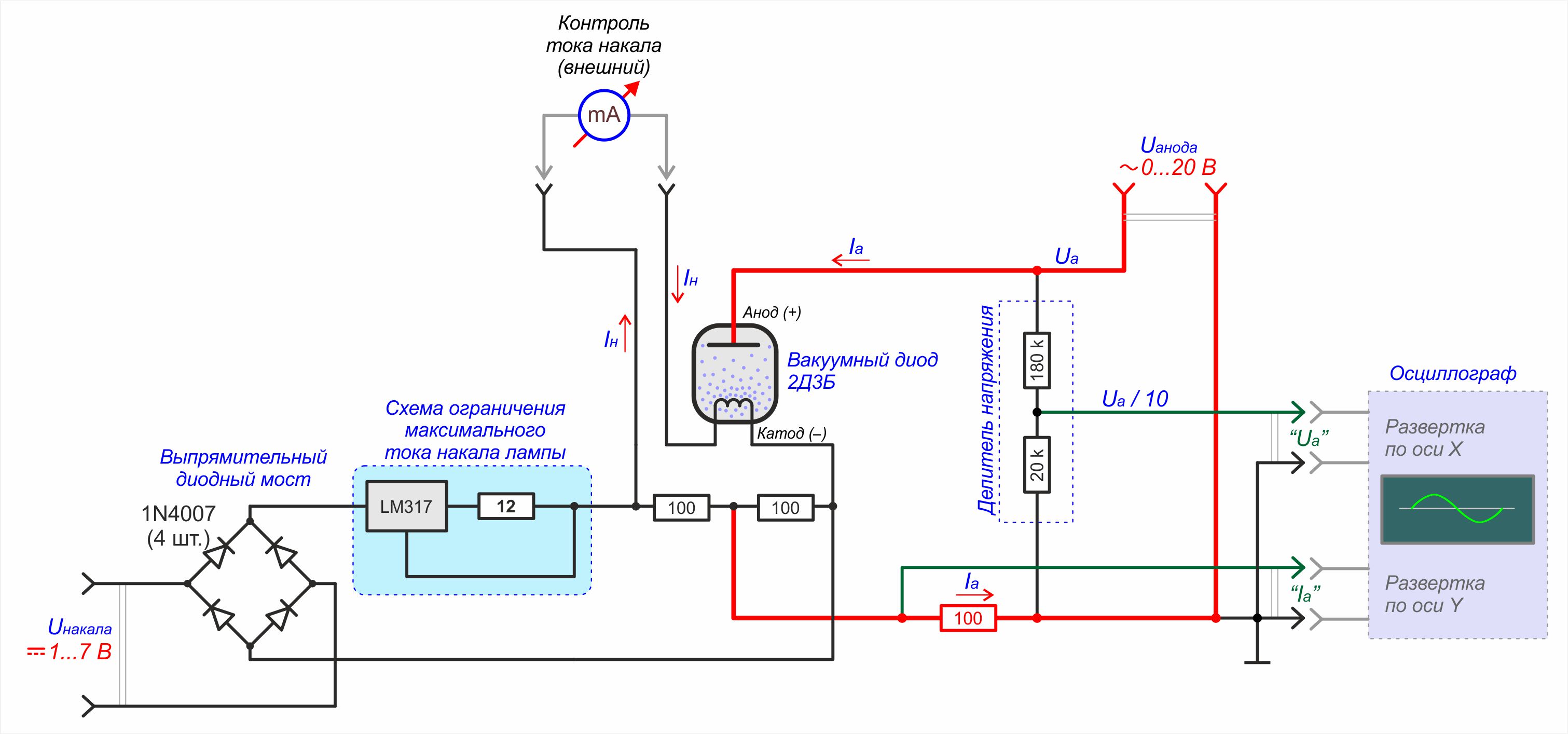
Для изучения вольт–амперной характеристики между анодом и катодом диода 2Д3Б используется лабораторный модуль ЛР 2.1–2.2, подключённый по схеме: На диод 2Д3Б подаётся напряжение с высоковольтного выхода генератора сигналов низкочастотный Г3-109 (с напряжением до 250 В). Катод диода имеет непосредственный накал и запитывается от цифрового источника питания ATH-1443.

Протекающий через катод ток накала измеряется мультиметром GDM-8135 и для диода 2Д3Б не должен превышать 100 мА (!).

Переменное анодное напряжение позволяет в автоматическом режиме записывать вольтамперную характеристику диода, для этого сигналы, характеризующие напряжение и протекающий ток подаются на вход осциллографа АКИП-72205А. Для работы используется программа PicoScope 6. Для уменьшения погрешности, связанной с неэквипотенциальностью катода, в схеме используется так называемая «искусственная средняя точка катода» — подключение измерительной цепи к катоду с помощью двух одинаковых по величине сопротивлений, параллельных накалу диода. Ниже приведена схема лабораторного модуля ЛР 2.1–2.2:

Анодный ток вакуумного диода измеряется осциллографом и пересчитывается из падения напряжения на сопротивлении, включенном в цепь.

Назад к описанию метода или далее к Заданию 1