Идея эксперимента и его рабочая схема
Идея измерения заряда электрона по дробовому шуму проста. Для того, чтобы экспериментально определить заряд электрона, нужно измерить или задать контролируемым образом все величины $\overline{U_{\text{др}}^2}$, $I$, $R$, $\Delta f$, входящие в формулу $\overline{\Delta U_{\text{др}}^2}=2eI\left|Z\right|^{2}\Delta f$. Для этого к схеме:
достаточно подсоединить полосовой фильтр ПФ, пропускающий со входа на выход сигнал только в известной полосе частот $\Delta f = f_{\text{в}} - f_{\text{н}}$, измеритель анодного тока $I$ и вольтметр среднеквадратичных значений $U_{\text{эф}}$:
Разделительный конденсатор С предназначен для «отрезания» от последующей схемы постоянной составляющей анодного тока $I_0$ (и соответственно большого по сравнению с напряжением шума постоянного напряжения на сопротивлении $U_R=IR$. Поскольку получающаяся величина шумового напряжения весьма мала, то после ПФ стоит усилитель с коэффициентом усиления $K_{y}$, не зависящим от частоты в пределах полосы пропускания фильтра ПФ. Усиленный сигнал будет уже доступен измерению вольтметром среднеквадратичных значений: $U_{\text{эф}}=K_y\cdot \sqrt{\overline{U_{\text{др}}^2}}$.
Сделаем оценку.
При приемлемом токе диода порядка 1 мА и анодном сопротивлении 1 кОм напряжение шума в полосе частот $\Delta f = 1$ кГц будет составлять $$U_{\text{эф}} = \sqrt{\overline{U_{\text{др}}^2} } = \sqrt{2 \cdot 1.6 \cdot 10^{-19}\cdot 10^{-3}\cdot 10^6\cdot 10^3}\approx 5\cdot 10^{-7} \text{ В,}$$ т.е. 0,5 мкВ.
Если усилитель имеет коэффициент усиления 1000 ($K_y = 10^3$), то напряжение на его выходе будет составлять уже $U_{\text{эф}} = 0,5$ мВ, что вполне доступно для измерения вольтметром с достаточно высокой точностью. Таким образом все величины, входящие в формулу $\overline{\Delta U_{\text{др}}^2}=2eI\left|Z\right|^{2}\Delta f$ будут определены.
Необходимая для этой идеи амплитудно-частотная характеристика полосового фильтра:
Однако уровень развития электроники в 30-х гг. 20-го века был таков, что полосовых фильтров просто еще не существовало. Поэтому в технической реализации описанной идеи были использованы избирательные свойства колебательного контура.
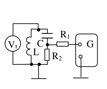
Рассмотрим особенности установки, связанные с заменой ПФ колебательным контуром. Основными параметрами колебательного контура являются резонансная частота $f_0$ и добротность $Q$, которые можно определить по его амплитудно-частотной характеристике (АЧХ). Для получения АЧХ используется генератор $G$ и вольтметр (осциллограф) $V$:
Зависимость амплитуды сигнала на осциллографе в зависимости от частоты генератора (при неизменном напряжении на его выходе) — это и есть АЧХ контура:
Таким образом, колебательный контур является эквивалентом полосового фильтра: со входа (от генератора) на выход (на вольтметр) он пропускает сигнал только в некоторой полосе частот вокруг резонансной частоты $f_0$. Но в пределах этой полосы его коэффициент передачи $K = \frac{U_L}{U_{L_0}}$ (где $U_{L_0}$ — напряжение на вольтметре при резонансной частоте). Однако суммарное пропускание контура определится площадью подинтегральной кривой и будет эквивалентно пропусканию идеального ПФ имеющего такую же площадь:
Теоретически замена сопротивления R контуром сводится к подстановке в формуле $\overline{\Delta U_{\text{др}}^2}=2eI\left|Z\right|^{2}\Delta f$ вместо $R$ комплексного сопротивления контура $Z(f)$. Тогда формула преобразуется к виду
$$
\overline{U_{\text{др}}^2}=2eI \int _{0}^{\infty }\left|Z(f)\right|^{2} df=\frac{eI}{\pi } \int _{0}^{\infty }\left|Z(\omega )\right|^{2} d\omega
$$
Интеграл в данной формуле пропорционален площади под резонансной кривой и с учетом конкретных величин $L, C$ и $R_2$ может быть выражен через добротность контура $Q$. В результате исходная рабочая формула эксперимента приобретает следующий вид: $$ \overline{U_{\text{др}}^2}=\frac{eI Q}{2\omega _{0} C^{2} } \hspace{10pt} \text{ или } \hspace{10pt} \left(\frac{U_{\text{эф}}}{K_y}\right)^2 =\frac{eI Q}{2\omega _{0} C^{2}}, \,\,\,\,\,\,{(3)} $$ где $\omega _0 = 2\pi f_0$ — резонансная частота контура, $C$ — емкость контура, $Q$ — его добротность, $K_y$ — коэффициент усиления усилителя и $U_{\text{эф}}$ — показания среднеквадратичного вольтметра.
Таким образом для определения заряда электрона по дробовому эффекту в эксперименте с использованием колебательного контура нам необходимо будет знать емкость контура $С$, и измерить резонансную частоту $f_0$, добротность контура $Q$ и коэффициент усиления усилителя $K_y$.
Примечание. Заметим только, что для получения результата по формуле (3) добротность контура $Q$ обязательно должна измеряться экспериментально, а не рассчитываться по теоретической формуле. Это обусловлено двумя факторами. Во-первых, по переменной (шумовой) составляющей напряжения диод оказывается подключенным параллельно колебательному контуру, а следовательно, его внутреннее сопротивления (зависящее от постоянного тока, протекающего через диод) шунтирует контур и уменьшает его добротность по крайней мере в 5-7 раз по сравнению с теоретически расcчитанной величиной для «ненагруженного» контура. Во-вторых, кроме последовательного сопротивления делителя $R_2$ в расчетные формулы для добротности контура входит активное сопротивление катушки контура. В свою очередь, активное сопротивление провода переменному току зависит от частоты, поскольку на частотах $\sim 100$ кГц начинает сильно сказываться скин-эффект в проводе («вытеснение» протекающего по нему тока из всего сечения провода к его поверхности). Таким образом, измерение реального активного сопротивления контура на резонансной частоте само по себе превращается в достаточно сложную экспериментальную задачу. По счастью, в нашем эксперименте ее решать не нужно, поскольку экспериментально измеренная добротность контура «автоматически» учитывает не расчетную, а реальную величину этих сопротивлений. Единственное, что следует выполнить — это построить зависимость экспериментального значения добротности контура от тока диода, а затем подставлять в расчетную формулу те значения добротности, которые соответствуют реальному току диода, при котором измеряется напряжение шумов.
Вывод формулы (3) приведен в приложении к данной работе, а с более подробной теорией вакуумного диода, колебательных контуров и фильтров можно ознакомиться в работах практикума 2.1-2.3, 5.1, 5.2 и 5.5 посвященных этим вопросам.
Назад к теории явления или далее к описанию установки