Измерение поля магнитного диполя
Цель работы: экспериментальное изучение зависимости магнитного поля постоянного магнита от расстояния, измерение величины магнитного момента.
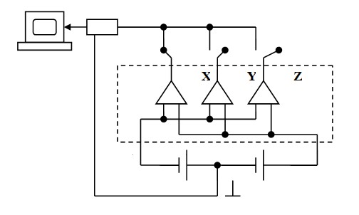
Экспериментальная установка
Схема экспериментальной установки приведена на рисунке:
В работе используются 3 датчика Холла SS94A1F (рис. 3):
Датчики данного типа содержат встроенный усилитель, которому требуется два источника питания: один с положительной полярностью, другой с отрицательной. Сигнал измеряется относительно центральной точки источников. На схеме датчики изображены треугольниками, треугольники обозначают усилитель сигнала. Параметры датчика Холла приведены в таблице 1. Все три датчика Холла расположены в едином блоке с прозрачной крышкой.
В работе используется универсальный вольтметр GDM-8135 или USB осциллограф Oscilloscope Handyscope HS3, который имеет два канала регистрации, но работе можно использовать только один канал подключая его по очереди к каждому из датчиков.
Таблица 1
Параметры датчика Холла SS94A1F
| Максимальный потребляемый ток при 25${}^\circ$ С | 30 мА |
|---|---|
| Максимальный выходной ток | 1 мА |
| Чувствительность при 25$\mathrm{{}^\circ}$ С | 25 мВ/Гс $\mathrm{\pm}$ 0.5 мВ/Гс |
| Дрейф нуля от температуры при 25$\mathrm{{}^\circ}$ С | от -0.1 %/$\mathrm{{}^\circ}$С до +0.1 %/$\mathrm{{}^\circ}$С |
| Изменение чувствительности при 25$\mathrm{{}^\circ}$ С | от -0.055 %/$\mathrm{{}^\circ}$С до +0.02 %/$\mathrm{{}^\circ}$С |
| Диапазон измерений | от -100 Гс до +100 Гс |
| Время отклика | 3 мкс (типичное) |
| Выходное напряжение при 0 Гс и 25$\mathrm{{}^\circ}$ С | 4 В $\mathrm{\pm}$ 0.08 В |
Источник питания GPS-4303 должен быть включен в режиме Series, тогда «плюс» первого выхода источника будет соединен с «минусом» второго выхода и будет являться центральной точкой. Напряжение питания датчиков от 4.5 до 10.5 В, на шкале отображается половинное напряжение, рекомендуемое напряжение 6.6 В, т.е. 3.3 В по шкале источника. Напряжение питания датчиков изменять не следует в течение всех экспериментов!!! Ограничение по току следует выставить 0.1–0.2 А на обоих источниках. Включение источника питания производится кнопкой Power. Подача питания на датчик Холла осуществляется нажатием кнопки OUTPUT, на источнике питания над кнопкой Power, при этом загорается лампочка «ON».
Порядок выполнения работы
Перед выполнением работы рекомендуется посмотреть видео инструкцию по выполнению работы и сборке схемы:
1. Подключить питание датчиков Холла. Для этого соединить выход + канала 1 источника питания постоянного напряжения с + разъемом питания датчиков Холла. Выход — канала 2 источника питания соединить с — разъемом питания датчиков Холла. Встроенный операционный усилитель датчиков Холла требует два источника питания с общей центральной точкой. Выход центральной точки источника питания подключить к свободной клемме блока с датчиками Холла. Центральную точку так же следует соединить с выходом заземления источника питания.
2. Подключить канал 1 осциллоскопа для считывания сигналов. Черный контакт осциллоскопа подсоединить к контакту с центральной точкой. Красный контакт осциллоскопа соединить с выходом датчиков Х или Y или Z. При проведении эксперимента следует переключать красный контакт и производить измерение каждой из компонент магнитного поля Х, Y или Z.
3. Запустить программу для управления осциллоскопом (Multi Channel Software). Установить частоту считывания 5 кГц (по умолчанию в программе стоит 10 МГц). Установить значение 10 000 измерений. На оси Х должно отображаться максимальное время измерения 2 с.
4. Включить источник питания кнопкой ON в левом нижнем углу. С помощью ручек Voltage выставить напряжение на каждом канале по 3.5 В. Рекомендуется работать при одинаковом напряжении на обоих источниках питания. Ручкой Current выставить максимальный ток, при котором источник будет выключаться, равным 0.9 А. Каждый из датчиков Холла потребляет не более 30 мА. Подать напряжение на датчики Холла кнопкой Output. При этом на экране осциллоскопа картинка поменяется: произойдет скачок напряжения. Даже в отсутствие магнитного поля на выходе датчиков имеется не нулевое постоянное напряжение, так называемое напряжение смещения.
5. Проверить работоспособность схемы. Взять постоянный магнит и помахать им над датчиками Холла. На экране при этом должны появляться пики соответствующие пролету магнита над датчиком. Данные для построения данной картинки следует сохранить. Для этого:
а) Перевести осциллоскоп в однократный режим (кнопочка Play $\Rightarrow$ или $||$ пауза в верхней левой части экрана).
б) Еще раз помахать магнитом над датчиками.
в) Сохранить результаты измерения. Правой кнопкой мыши нажать на канал 1 в левом окне на экране. В появившемся меню выберите «Экспорт данных». Далее выбрать тип файла csv. Выбрать разделители: пробел между строками и запятая для отделения знаков десятичного числа. Вписать имя файла. Файл с такими настройками можно будет прочитать программой Exel. Точность записи по умолчанию составляет 8 знаков после запятой. Записанный файл рекомендуется посмотреть в текстовом редакторе.
6. Произвести измерения магнитного поля. Для этого:
а) Перевести осциллоскоп в непрерывный режим (кнопочка рядом с Play $\Rightarrow$ $\Rightarrow$).
б) Измерить напряжение в отсутствии магнитного поля (убрать магнит на другой край стола). Создать измерит ель напряжения: зайти во вкладку Quick functions (быстрые функции) и выбрать Create Voltmeter. Появится окно вольтметра, в котором имеется среднее напряжение (Mean) и его неопределенность измерения (RMS). Чтобы получить правильную неопределенность напряжения нужно нажать на вольтметр (RMS) правой кнопкой мыши, выбрать Measurement-$\mathrm{>}$ Standard deviation (среднеквадратичное отклонение). Записать в тетрадь значение напряжения смещения и его среднеквадратичное отклонение в виде (А$\mathrm{\pm}$Б). Проделать измерение напряжения смещения для всех трех датчиков Х,Y и Z, подключая красный контакт осциллоскопа к соответствующим разъемам. Проследите внимательно, чтобы последний знак после запятой, указанный в значении напряжения, не был меньше значения ошибки измерений. Значения, меньшие ошибки измерений, не несут никакой информации.
в) Установить магнит рядом с линейкой, записать значение расстояния от магнита до датчика. Лучше всего расположить одним из полюсов вверх, что позволит существенно упростить обработку данных. Далее следует произвести измерение всех трех компонент магнитного поля, тем же способом, которым измерялось напряжение смещения. Записать значения в тетрадь. Если ошибки измерения не будут меняться в процессе эксперимента, их можно записать один раз для каждого датчика и в дальнейшем контролировать их значение.
г) Передвинуть магнит в новую точку и произвести измерение всех трех компонент магнитного поля. При перемещении магнита следует помнить, что магнитный момент это векторная величина. Следует сохранять ориентацию магнита в пространстве, не поворачивать и не переворачивать его. Смещение магнита производить параллельным переносом вдоль линейки (вдоль оси Х). Переместившись в новую точку, следует дождаться момента, когда картинка приобретет вид константы и тогда записывать измеренное значение.
д) Требуется произвести измерение как минимум в 10ти точка по оси Х, для всех трех компонент магнитного поля. На близких расстояниях, где поле значительно меняется, следует выбирать маленький шаг 1-5 мм, на значительном расстоянии 10-50 мм. Характерный вид зависимости представлен на рис. 5.
Для последующей обработки результатов вам потребуются координаты каждого из датчиков (нужно будет вычислять вектор расстояния от центра магнита до центра датчика). Координаты следует записать в тетрадь. Нужно записать чувствительность датчика 25 мВ/Гс $\mathrm{\pm}$ 0.5 мВ/Гс.
После проведения измерений следует отключить питание датчиков кнопкой Output на источнике питания.
После завершения работы нужно показать преподавателю первичные данные: файлы CSV или аналогичные, таблицу с результатами эксперимента, данные о чувствительности используемого датчика, значения смещения нуля и другие необходимые для обработки данные.
Анализ данных
Перед оформлением работы рекомендуется посмотреть видео инструкцию:
1. Для анализа данных вам потребуется таблица с результатами измерения всех трех компонент магнитного поля постоянного магнита. В таблицу записаны напряжения, которые нужно перевести в значения магнитного поля. Из значений напряжения нужно вычесть значение напряжения смещений и разделить на чувствительность датчика, которая составляет 25 мВ/Гс для датчика SS94A1F. $$ B[Гс]=\frac{(U_{x} -U_{0x}) [мВ]}{25[мВ/Гс]} $$
Обратите внимание, что напряжение должно быть в мВ, чтобы получить поле в Гс. Напряжение смещения $U_{0x}$ для всех трех датчиков различается.
2. Далее следует рассчитать неопределенность измерения магнитного поля. Значение стандартного отклонения, следует разделить на корень из числа измерений (число «sample» осциллоскопа), а затем перевести в магнитное поле разделив на чувствительность датчика.
3. Постройте график зависимости компонент магнитного поля от расстояния. Нанесите на график ошибку измерений в каждой точке, предполагая, что данная ошибка не зависит от расстояния и величины магнитного поля.
4. На том же графике изобразите магнитное поле, описываемое формулой (3а). $$\vec B(r)=\frac{3\vec r(\vec r\cdot \vec m)-\vec mr^{2} }{r^{5} } $$
В формулу (3а) входит магнитный момент вашего магнита. Магнитный момент требуется рассчитать. Если вы расположили магнит одним из полюсов вверх, то можно воспользоваться предположением, что скалярное произведение $(\vec r\cdot \vec m)=0.$ Тогда магнитный момент можно рассчитать по формуле $\vec{m}=\vec{B}\cdot r^{3} $, где $r$ — это модуль расстояния от магнита до датчика, рассчитанный по формуле $r=\sqrt{(x-x_{0} )^{2} +(y-y_{0} )^{2} +(z-z_{0} )^{2} } $, где $x,y,z$ — координаты магнита, $x_{0}, y_{0}, z_{0}$ — координаты датчика.
5. По формуле переноса ошибок $$\sigma _{f}^{2} =\left(\frac{\partial f}{\partial x_{1} } \right)^{2} \sigma _{x_{1} }^{2} +\left(\frac{\partial f}{\partial x_2} \right)^{2} \sigma _{x_{2} }^{2} +\dots $$ рассчитайте ошибку измеренного вами значения, $f$ — это формула по которой рассчитывается величина зависящая от $x_{1}, x_{2}, \sigma _{x_1}$ — это неопределенность величины $x_{1}$. Нужно учесть неточность определения каждой из компонент измеренного поля. Точность измерения датчика указана в его технической документации. Еще нужно учесть неточность измерения расстояния между датчиком и магнитом.
Магнитный момент может быть независимо вычислен в каждой точке, где проводились измерения. Выбор «истинного» значения магнитного момента следует осуществить, так чтобы формула (3а) лучше всего описывал экспериментальные данные.
Проследите внимательно, чтобы последний знак после запятой, указанный в значении магнитного момента, не был меньше значения ошибки измерений. Значения, меньшие ошибки измерений, не несут никакой информации.
6. Если магнит был сориентирован произвольным образом, то следует воспользоваться следующей формулой: $$ \vec m=\frac{\vec r}{\left|r\right|^{2} } \frac{(\vec r\cdot \vec B)}{2} r^{3} +\frac{\vec B}{\left|B\right|^{2} } \left(\frac{3}{2} (\vec B\cdot \vec r)^{2} \cdot r-B^{2} \cdot r^{3} \right) $$
Вывод формулы: Вам потребуется знать вектор расстояния от датчика до магнита (3 величины) и 3 измеренные компоненты магнитного поля.
Выразим магнитный момент через эти 6 величин. Вектор $$\vec m=\frac{\vec r}{\left|r\right|} (\vec r\cdot \vec m)+\frac{\vec B}{\left|B\right|} (\vec B\cdot \vec m),$$ так как $\vec m\cdot [\vec r\times \vec B]=0$ ($\vec m$ лежит в плоскости $\vec r \; \vec В$), что можно легко проверить, подставив выражение для магнитного поля в эту формулу. Сначала умножим формулу магнитного поля диполя скалярно на $\vec r, \vec B $ и $\vec m,$ затем выразим скалярные произведения $(\vec r·\vec m),$ $(\vec B·\vec m).$ Как вы уже догадались, мы будем использовать вектора $\vec r$ и $\vec B$ в качестве базисных. Должно получиться следующее: $$(\vec r\cdot \vec B(r))=\frac{3r^{2} (\vec r\cdot \vec m)-(\vec r\cdot \vec m)r^{2} }{r^{5} },$$ $$(\vec r\cdot \vec m)=\frac{(\vec r\cdot \vec B(r))}{2} r^{3},$$ $$(\vec B\cdot \vec m)=\frac{3}{2} (\vec B\cdot \vec r)^{2} \cdot r-B^{2} \cdot r^{3}$$
И подставляя в $\vec m=\frac{r}{\left|r\right|^{2} } (\vec r\cdot \vec m)+\frac{\vec B}{\left|B\right|^{2} } (\vec B\cdot \vec m)$ соответствующие выражения для скалярных произведений получим: $$\vec m=\frac{\vec r}{\left|r\right|^{2} } \frac{(\vec r\cdot \vec B)}{2} r^{3} +\frac{\vec B}{\left|B\right|^{2} } \left(\frac{3}{2} (\vec B\cdot \vec r)^{2} \cdot r-B^{2} \cdot r^{3} \right)$$
В качестве бесплатного дополнения легко найти квадрат вектора $\vec m:$ $$m^{2} =\left(B^{2} \cdot r^{2} -\frac{3}{4} (\vec B\cdot \vec r)^{2} \right)\cdot r^{4} $$
Обратите внимание, что величина поля быстро стремится к нулю с увеличением расстояния.
Назад к теории или далее требованиям по отчету и контрольным вопросам


